车轮是用来支承起重机和载荷,并在轨道上使起重机往复行驶运行的装置。车轮主要损伤的形式是磨损、硬化层压碎和点蚀。车轮的材料一般采用ZG430-640铸钢。为了提高车轮表面的耐磨强度和寿命,踏面应进行表面热处理,要求表面硬度为HB300-350,淬火深度不少于20mm。
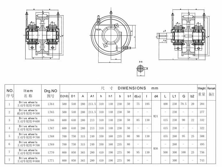
主动车轮组一般包括主动轴、轴承箱、轴承、车轮、轴套、键等配件,主动车轮组跟减速机、电动机、制动器等连接,驱动被动车轮组行走,小车上的行走机构一般为单缘车轮。
默认选择ZG340-640或55#,热处理为整体调质,使车轮踏面硬度在HB300-380,硬度层在大于等于20mm深处硬度不小于260HB,提高车轮的耐磨性及耐冲击性,进而提高了车轮的使用寿命。
车轮轴常用材质为45和40Cr,也可根据甲方要求选材。
轴承箱常用材质为HT200、QT40-15、ZG45,由甲方确定。
我公司车轮组轴承采用的是洛阳瀛洲、哈、瓦、洛轴承厂家的正规产品。
双缘车轮组主要用于50T以下的起重机大车运行机构。经表面淬火后的车轮踏面硬度可以达到HB330-380,经整体调质热处理后,性能会更优。另选择ZG50SiMn材质的车轮可以提高轮压20%。双缘车轮组选用轴承全部为圆锥滚子轴承。选择ZG50SiMn材质性能可以提高20%,价格加15%。
单缘轮车轮常用于桥、门式起重机小车走行轮,轮缘高位20mm~25mm。单缘轮车轮材质如不特别说明一般采用ZG340-640铸造。
双缘车轮组主要用于50T以下的起重机大车运行机构。经表面淬火后的车轮踏面硬度可以达到HB330-380,经整体调质热处理后,性能会更优。另选择ZG50SiMn材质的车轮可以提高轮压20%。 双缘车轮组 选用轴承全部为圆锥滚子轴承。选择ZG50SiMn材质性能可以提高20%,价格加15%。

联系方式:
地址:湖南省永州市冷水滩区九嶷大道
联系方式:13874603362
地址:湖南省永州市冷水滩区荷花路
联系方式:13574670727
地址:零陵中路880-6号
联系方式:13874600615/13907465788
地址:湖南省永州市祁阳县浯溪中路88号
联系方式:13874603362
地址:湖南省永州市冷水滩区紫霞路286
联系方式:
地址:湖南省永州市蓝山县塔峰路295西100米
联系方式:17307479200
地址:湖南省永州市冷水滩区零陵南路90号
联系方式:
地址:湖南省永州市冷水滩区煤勘路
联系方式:
地址:永州市冷水滩区零陵南路与轻机路交叉路口西侧(朱家山市场东北侧约100米)
联系方式:15575325777
地址:建设大道133号
网点搜索
本地网点
起重之家为您推荐以下网点,如联系不畅,请联系起重之家在线客服:
0373-5859666
起重之家将通过专线直接为您联系各服务网点,并推荐优质的供应商。